2028年までに民放のAM放送がすべてFM放送に移行されるそうで、このままではAMラジオがゴミになってしまいます。NHKはAM放送を継続するらしいですが、この頃は地上波よりもネット放送の方が人気があり受信料収入も減少しているらしく、AM送信設備の維持は本当に大丈夫かと心配になります。
これは自分で放送局を作るしか方法がありません。と言う訳でFMとAM両方で使用できるトランスミッターを製作してみました。
しかし、今の時代(2025年)FMトランスミッターは割と手軽に製作できますが、AMは結構なノウハウがある様で一筋縄では行かないことが分かりました。
先ずはFM
FMトランスミッターについては、製作するよりも市販品を購入した方が安価で信頼性も高いと思われます。
しかし、ここは趣味の世界、そんなこと言ったら万事買った方が良いに決まってます。(恐るべし中華)と言う訳でaitendoのFMトランスミッターユニット基板を使うことで妥協しました。
このユニット、トランスミッター専用チップのQN8027、DSPチップ、PLL、LCD、高周波増幅部付きで、周波数範囲が76〜108MHz、USB入力可能と高性能で950円と一から作るのがバカみたいなユニットです。(中華パワー本当に恐ろしいです。)
それで音が悪かったら「やっぱ中華製、ダメじゃん」ってなる訳ですが、このユニット音も周波数安定性も凄く良いです。変調も既設の放送局と比較し何ら遜色ありませんでした。電波の到達距離もロッドアンテナで家じゅう大丈夫でした。
次はAM
FMで良いユニットを見つけたので、AMでも良いトランスミッターのユニットがないのかネットで探したらありました。サトー電気さんで販売している基板でRADIO
KITS IN JAさんのRK-65というものです。プリント基板のみの販売なので部品は自分で集めます。
電波が飛ばない?
早速組み立てました。元仕様では基板内に水晶を使ったキャリアの発振回路が搭載されてますが、希望の発振子がなかったので、外部から供給することにしました。色々探しますとサトー電気さんで1152kHzを出力できる水晶発振ユニットが見つかりました。AMの放送周波数は531kHzから9kHzステップで1602kHzまでなのでデジタルラジオでも選局できるようにこの仕様の周波数にしました。
DBMICの各端子のレベルを確認後、とりあえず基板のアンテナ端子に1m程度のリード線を接続し実験しました。
しかし、電波の到達距離は1m程度と、FMと比較し全然電波が飛びません。流石は中波、波長は300mです。アマチュア無線の1.9MHz帯で短縮アンテナを使った場合、相手の声が聞こえているのに、こっちの電波が届かないのと同じ原理なのでしょうか?
↑ 最初の実験回路です。メイン基板で電源、局発を作りRK-65に供給しています。このままANT端子にリード線を繋いでも電波が飛びませんでした。(電源の平滑コンデンサは完成後基板横に直付けしようと思いぶらぶら配線しています。←最後までこのままで特に問題ありませんでした。)
バーアンテナ
アンテナについては、受信も送信も原理的には同じですからバーアンテナを送信に利用できないかネットを探したらありました。「電子うさぎ」さんのホームページです。
電子うさぎさんによると最も中波の電波が飛ぶアンテナとしては、やっぱりバーアンテナとのことですが、投入電力を上げ過ぎるとバーアンテナが飽和?して変調が歪むのだそうです。飽和寸前のところで使用すれば、家庭で使用するのに十分なサービスエリアが得られるとのことでした。(凄く参考になりました。感謝、感謝。)
また、バーアンテナのトランジスタに接続する側の巻線のインピーダンスや巻線比についても詳しく考察されており、師匠と呼びたくなるほどの人物です。
↑ 名古屋アメ横のボントンで270円で購入したバーアンテナです。同調側は190μH、トランジスターのコレクタ側は2μHと大分コイルを巻き戻してます。2μHなんて4、5回巻くだけなので「こんなんで大丈夫か?」と思いましたが、全然大丈夫でした。(電子うさぎさんの考察は深海の様に深いです。)
RK-65改造点
RK-65はQRPのAM送信機用のプリント基板で、水晶と定数を変更することにより各バンドで使用することができます。ここではAMトランスミッター(1152kHz)として対応できるように次の点を変更しました。
① LM386を使用したマイクアンプは削除した。
入力はラインを基本としますのでマイクアンプは使わないことにしました。(設計のRADIO KITS IN JAさんLM386をマイクアンプとして使うアイデア面白いです。巧妙にゲインを下げて使っておられます。)
② 局発は外部入力とし、基板上の局発回路はフィルター兼バッファーアンプとしました。
③ 電力増幅部は2段から1段にしてバーアンテナが飽和しないようにしました。(と言うかオリジナルの回路では1段目と2段目のインピーダンス整合がとれなかったので、1段目はアンプとして動作しませんでした。)高周波広帯域の2段アンプはマッチングと発振対策がしっかりしてないと難しいです。(RADIO
KITS IN JAさんの基板は大人の基板です。私の様に中途半端な知識では、1段のみの使用にした方が良さそうです。)
↑ 「キットはきっと動作する」と言うトラ技の名言でもあるように、動作しない場合は製作者に何らかのミスがあります。最初、1152kHzと言う電波は、なかなか飛びませんでした。
部品の挿入してない箇所は裏面に装着か、不要部品です。マイクアンプのLM386は使用しません。(ソケットにソケットを挿入しジャンパーしてます。)
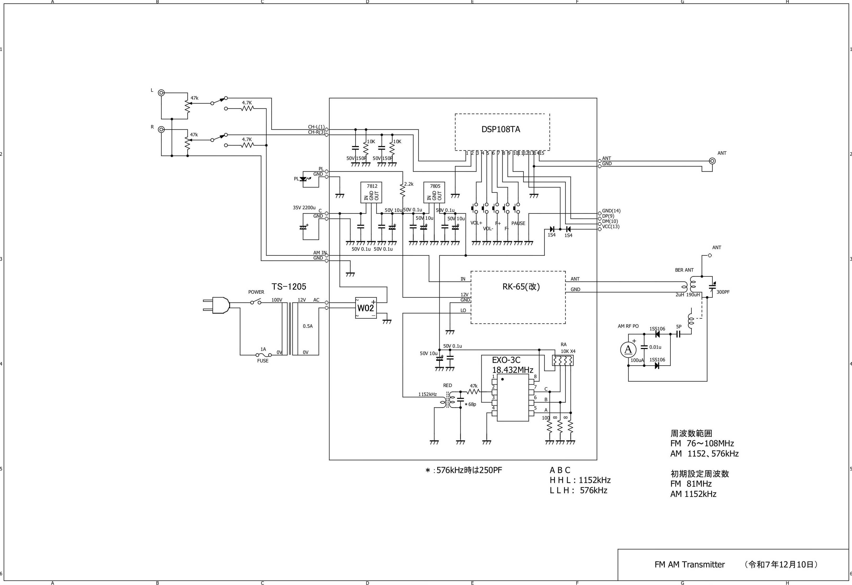
回路図
↑ FM部は標準外付け部品のみです。USBも直接接続できますが不要なので使ってません。音声入力はハイインピーダンス状態だったので高周波が回り込まないよう簡単なフィルターを挿入しました。
AM部は搬送波を8ピン水晶ユニットで作ってます。出力は当然矩形波なのでAMラジオ用発振コイルで同調させ正弦波を得ています。出力は前述のとおり同調形のバーアンテナを使ってます。低い送信周波数でも同調がとれる様にバリコンは340pF×2を使用しました。(1152kHzなら340pF1個で間に合います。)
↑ RADIO KITS IN JAさんのRK-65と言う基板を使用してます。(サトー電気さんで販売している。)マイクアンプと局発、RFアンプの1段目は使ってません。そのため回路定数はRADIO
KITS IN JAさんの設計とは異なってます。(周波数も違うしね。)
トランジスタは2SC1815Yを使ってます。GRなんかだと発振するんじゃないかとビビッて使えません。
ケースデザインと組立
大失敗
最初、タカチのアルミケース(5000円位した)を購入しました。バーアンテナは磁気で伝搬するとのことなのでアルミなら大丈夫と思ったのですが、結局、電波は同じ電波なんですね。アルミケースがシールドになって全然電波が飛びませんでした。
同じサイズのプラケース(前面、背面パネルのみアルミのやつ)を買いなおしました。2000円位だと思います。(誰だ、バーアンテナは磁気を感知してるとか言ったやつは。)
文字入れ
文字はいつも(有)アドマさんに依頼してます。一寸前までは既製品のインスタントレタリングシールがあったのですが、今は中々見かけません。(有)アドマさんは35mm×118mmの小サイズで文字色が黒とか白だったら1500円で製作していただけます。
↑ PDFで原稿を作成すればインスタントレタリングを製作できます。シールを先の細いもので擦ってパネルに転写します。転写後は水性クリア塗料で定着させて終了です。素人が趣味で製作する製品ではこの方法が一番綺麗にできると思います。((有)アドマの大滝さんありがとうございます。)
メイン基板の製作

プリント基板は自作しています。業者に依頼しても安価に製作できる様ですが、日本でポジ感光基板が購入できなくなるまで続けようと思います。ところで、去年までプリントした原稿を2枚重ねて感光していたのですが、現在のインクジェットプリンターなら1枚で十分な遮光性があり全然大丈夫でした。(逆にエッジがしっかりしたパターンができた。)
エッチング液は5年くらい使ってます。(終了まで1時間くらいかかる)溶かす銅の面積が最小になる様、余った部分はベタアースか蛇の目模様にしています。パターンはフリーソフトで描いてます。昔、ラッカーペイントやランドシールで描いていた時代を思い出すと、凄くお手軽です。
手抜きの2階建て基板
↑ メイン基板にFMトランスミッター基板とAMトランスミッター基板が乗ったところです。メイン基板は電源とFMの設定スイッチ、AMのキャリアー発振器(1152kHz)があります。
バリコン等の装着
↑ バリコンの装着はaitendoの補助基板を使いました。また、ボリウムにも同様の基板があります。至れり尽くせりです。パネル中央はパワーメーターで同調の確認ができます。バーアンテナのみならばバリコンは不要で固定コンデンサで良いのですが、外部にリード線アンテナを接続すると同調が狂いますので再調整する必要があります。青い単線コイルはパワーメーターのアンテナでバーアンテナに空間結合しています。
完成
↑ 結構大掛かりになってしまいました。
FMは高音質で、既存の放送局と同様の変調度と周波数特性が得られます。チャンネルセパレーションもかなり高いです。
AMは変調が若干浅い感じが残り(それ以上入力を上げると歪みが大きくなる。)一寸聞くには問題ないのですが、真剣に聴くと気になります。しかし、一番の問題は伝搬距離でしょう。5m位は良好なのですがそれ以上は飛びません。送信出力はもっと上げられますが、変調が飽和してしまいます。
とりあえず部屋中では使えますので、しばらくはこのまま使用してみます。
ラジオ放送黎明期のラジオ受信機は再生検波方式(正帰還方式)で、再生を深くすると隣近所のラジオ受信機に妨害を与えたと言うような都市伝説がまことしやかに語られますが本当でしょうか。中波の電波ですが、飛ばそうと思っても思うように飛んでくれません。
高橋雄造さんの「ラジオの歴史: 工作の〈文化〉と電子工業のあゆみ」のなかにも「そんなことはなかった。」とあります。
やっぱり中波の電波は飛ばそうと思っても飛ばないのだと思います。簡単に飛ぶのであればAM放送のあの巨大なアンテナなんか不要ですもんね。今まで生きていて中波にこんなに興味を持ったのは初めてです。ここで中波放送が無くなってしまうのは寂しい限りです。
今回製作したトランスミッターは一部屋だけの放送局とします。