世界一有名なプリアンプと言えば、という質問に対し(今どきそんなこと聴く奴はいないのですが)「プリアンプって何?」と言う回答の次に多いのが、「マランツ#7」ではないでしょうか。
しかし、その音を聴いた人は何人いるのでしょうか。その風貌や回路について語った書物は数知れずありますが、実物を見たことも聴いたこともありません。
若松マランツ#7
そんな訳で、1970年代、ラジオ少年の生き残り青年達は、せっせと自作に励みました。回路図が公開されている訳ですから、ラジオ少年にとって、コピーは簡単だったと思います。また、当時は「ビタミンQ」、「オレンジドロップ」、「ブラックビューティー」、「グッドオール」、「A&B」だのの、高級、高額な部品も田舎では売って無かったので、かなり安価に出来たと思います。(1970年代の後半、名古屋大須のラジオセンターアメ横ビル内にCR類の専門店ができた時、私は初めて、その様な有名舶来コンデンサーに出会い驚きました。そこには日本製なら百円のコンデンサーが、超高額(1500円位?)で売られてました。)
自作品のアンプが完成し早速レコードを聴いてみると、確かに良い音です。ローリングストーンズのシーズ・ア・レインボウのバイオリンがギスギスした感じではなく、まろやかに聴こえたのです。
しばらくはそれで聴いていたのですが、一寸困ったことが起きました。冬になり寒いので、電気ストーブをつけるとメインアンプの保護回路が動作し、スピーカーが切れるのです。どういう事かと言うと、真空管プリアンプの電源は基本、整流、平滑だけなのでAC100Vの電源電圧変動が出力端子に現れてしまうのです。電気ストーブを付けることにより、AC電圧が数ボルト降下し、それが真空管のプレート電圧の降下につながりカップリングコンデンサーを通し出力されます。今なら、プリアンプの出力コンデンサーの値を必要最小限まで小さくし、20Hz以下を完全にカットして対策しますが、当時、時代はDCアンプです。そんなに高い周波数でカットするのは罪悪みたいな空気感がありました。(金田明彦さんが提唱していた。)
トランジスター式のDCメインアンプに真空管プリアンプを組み合わせようとしたのが、そもそもの間違えです。そんな訳で自作したマランツ7のコピーはお蔵入りしました。
若松通商 マランツ7タイプ真空管プリアンプ
↑ パーツ販売店が企画したキットにしては良くできていると思います。球込みで5万5千円、それもケース工済みのマランツ#7です。自作するより安いと思ってしまいました。
当時は格安の中華製品もなく自作する人も多かったのですね。
1980年代後半に入り、真空管メインアンプにも興味を持ち2A3メインアンプを製作してた頃、マランツ7コピーを思い出しました。ところが、そのころにはもう部品の情報とかが雑誌に溢れており、シズキの安いコンデンサーを使ったコピーなんか全く価値のないものに感じられ捨ててしまいました。(それと配線技術も拙い頃に製作したものなので、蓋を開けた途端「こりゃダメだ」と思いました。)今から考えれば、凄く勿体ないことをしました。シズキでもビタミンQでも劇的に変わることはありません。当時は盲目的に「舶来品は最高!」と思ってました。まあ、今なら捨てるにしてもスマホで撮って後で楽しめるのですけどねー。
そんな時、発売されたのがこれです。当時、薄型ケースのプリアンプが流行だった気がします。現代でも良いデザインだと思います。
「カップリングコンデンサーもドイツ製」とか言う売り文句で、これは早速購入するしかありません
↑ これは1986年の雑誌の広告です。若松通商さんから発売されました
当時、ケース付きのキットは大手のラックスを除き、あまりなかったと思います。(ただし、文字は印刷されてなかった。)値段は、ラックスのA3032と同じくらいか少々高かったと思います。(売値で)完成度は当然、ラックスの方が数段上でしょう。(模型のガレージキットが大手よりも高く売っているのと同じですね。)
設計は若松通商の技術スタッフか、「ラジオの製作」ライターの美津井健さんでしょうか。
一寸時が戻ってしまいますが、1979年に発行された「最高級アンプ自作マニュアル」(電波新聞社)の広告には、キットに使用されたアンプ基板の販売広告があります。

↑ 左は書籍「最高級アンプ自作マニュアル」(電波新聞社)で、右はその広告頁です。発行時の1979年では、まだケース付きのキットは発売されてませんでした。
この本、製作ものとして、十数台記載されてますが、そのほとんどが若松通商でユニットとして販売されていました。電波新聞社の発行ですが、若松通商とのコラボ本だったんですね。基板を自分で作れない人は売ってあげるよ、みたいな感じです。それとこの本、誤植が多く、設計者があえて値を変更したのか、誤植なのか高校程度の電気の知識では難しい所がありました。(まあ、この誤植、電気の勉強には凄く役立ちましたが。それと、この本設計方法等も丁寧に解説もしており、大きな誤植なら自力で訂正できました。)広告では、マランツ7基板が20000円、マッキントッシュ22基板が19500円で真空管抜きで売られています。今から考えると、ずいぶん高いと思いますが、出せば売れると言うオーディオ全盛期だったんですね。
↑ これは、三菱のスピーカー、2A3シングルアンプと組み合わせて使ってた頃、2005年頃のガラケー写真です。(多分、1回目にメンテしたころの写真です。)オリジナルの電源スイッチは赤の電照(豆電球式)タイプだったのですが、ブサイクと思い白のカバーに変え、豆球も撤去しました。プレート電流モニター用の緑LEDをパイロットランプにして使用してました。
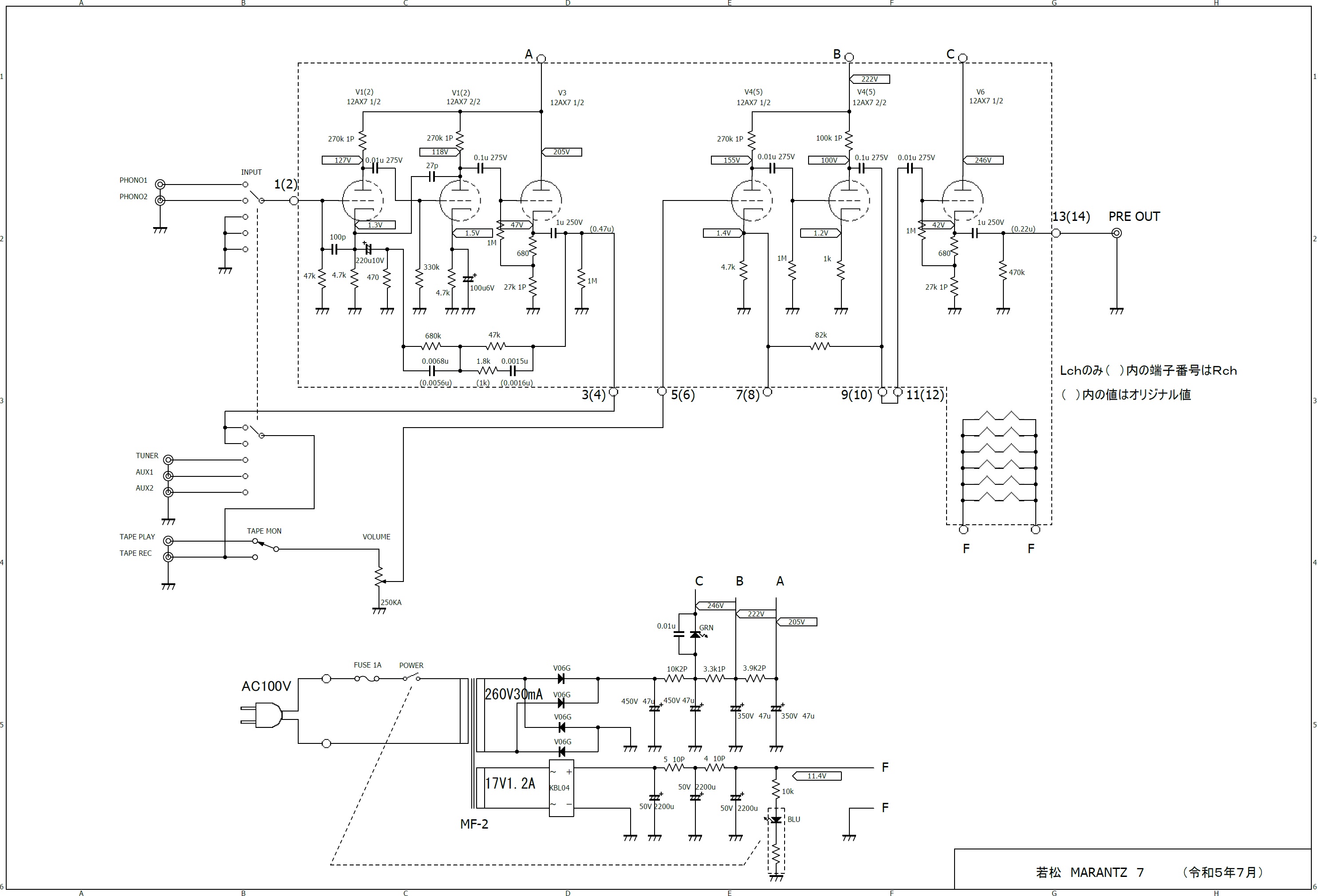
回路と音質
オリジナルとキットの相違点は次のとおりです。
① 部品が全て現代のものになっている。
1970年代の時点でもマランツのオリジナル部品のカップリングコンデンサーのスプラグブラックビューティーは絶縁不良が多いと言われてました。
② フォノイコライザー及びフラットアンプのカソードフォロアの出力コンデンサーの容量が大きい。
オリジナルのままでは、低いインピーダンスのトランジスターアンプを接続することができません。(重低音がカットされる。)
③ イコライザー素子の値が微妙に異なる。
キットの設計者は実際に特性を測って値を調整しています。(「最高級アンプ自作マニュアル」に書いてあった。)いくら天下のマランツ7と言ってもRIAA偏差が多かったら、それが音質上の特徴と言えません。ここは百歩譲って偏差が小さいまま使用するのが得策です。
④ 要回路以外のアクセサリーが全てない。(バランスもない)
シンプルイズベストです。
ところで音質ですが、何の不満もありません。前述のとおりDCアンプには接続できません。トランジスターアンプと比較し、ホワイトノイズ、マイクフォニックノイズは盛大ですが、通常使用で気になることはありません。真空管の奥深い音がします。美津井健さん流石です。雑音が多いと言ってもDL-103程度の出力なら、なんとか実用範囲内に収まります。
↑ オリジナルに比較し超シンプルです。イコライザー素子の切り換え、トーンコントロール、バランス、モード、出力フィルター等の滅多に使わないものは全て省略してあります。(トーンコントロールくらいはあっても良いと思いますが、マランツ7のオリジナルトーンコントロールはロータリースイッチ式の凝ったものなのでコストが合わない?)
ところで部品の定数は、前述の「最高級アンプ自作マニュアル」のものよりもオリジナルに寄ってます。
しかし、EQ素子と出力カップリングコンデンサーはオリジナルを踏襲してません。設計者の強い拘りがありそうです。これはこのまま行きましょう。(オリジナルに拘る人も多いでしょうが、接続されるカートリッジやデッキ、メインアンプの入出力インピーダンスに合わせ変更するのが正攻法と思います。)
メンテナンス
製作したのが1986年ですから、40年弱使用しています。20年程前に電源部の電解コンデンサー7個の交換と真空管の交換をしましたが、それからは何もしていません。今回は、一寸幅を広げてメンテナンスしたいと思います。メンテの方針は次のとおりです。キットの組み立て説明書を紛失してますので、説明に誤りがあるかも知れません。
① 電源部の電解コンデンサーの全取替え。
基本です。チューブラ型(アキシャルリード)の電解コンデンサーの入手が難しくなってます。今回はサトー電気とRSコンポーネンツで購入しました。
② アンプ部のコンデンサーコンデンサーは全取替えすることにしました。
フィルムコンデンサーは劣化しないので余分な作業ですが、オリジナルマランツ7及び三浦軍志さんに敬意を払い、カップリングコンデンサーにメタライズドペーパーコンデンサーのRIFAのPME271型を使用しました。高額なコンデンサーを使用すればプラシーボ効果で音質も向上するのですが、安価に越したことはありません。若松通商で100円台で購入できます。耐圧が高く(AC275V)、べっ甲色の綺麗なコンデンサーです。なお、カソードフォロアの出力段は1μFの大容量を使用しますので日本ケミコンのポリプロピレンフィルムコンデンサーを使用しました。DC250Vの耐圧ですが超小型です。(色は濃緑で一寸安っぽいですが)カソードバイパスコンデンサーはタンタル電解コンデンサー及びOSコンデンサーを使用しました。
③ 電源スイッチ電源スイッチは豆球電照型からLED電照型に変更しました。
④ その他テープモニタスイッチ、入力スイッチは適当な代替品がないため、接点清掃とオイル塗布にとどめました。
⑤ 見た目見た目にも拘ります。前面パネルのレタリングをやり直しました。敬意を込めて「若松」の文字も入れました。
-
蓋を開け
意外に綺麗です。電源の電解コンデンサーは以前メンテした時にテストピン経由で基板に取り付けてありますので交換が楽です。
-
メイン基板
特に悪いところはなかったのですが、一寸雰囲気を変えようと思いコンデンサーの更新をしました。
-
新しいコンデンサー
電解はOSコンとディップタンタル、フィルムはRIFAがMPコン、その他がPPフィルムを使用してます。EQ素子にはG級を使ってます。緑は安っぽい外観ですが日ケミのPPです。
-
更新後
コンデンサーのリードピッチが長くなったのでラジペンで成形し装着してます。更新前よりも統一感があります。
-
前面パネル
今回は(ほぼ)40周年記念ということで、パネルのレタリングをやり直しました。モデル名に漢字を使うとかっこいいですね。メーカーもこうすりゃいいのに。
インレタは例によってアドマさんに依頼しました。 -
電源部
チューブラ電解は日本製があっても大変高価です。ここは中華か韓国で我慢しましょう。一応105°対応製品です。
-
スイッチ清掃
入力セレクタとテープモニタスイッチは新品交換したかったのですが、ディスコンなのでしょうがなく接点掃除、オイル塗布で我慢しました。意外に調子良好です。
-
終了
プレート電流で点灯するLED付近の配線が少しごちゃごちゃしてますが、全体的に良く纏まったキットです。説明書がどっか行っちゃいましたが特に問題ありませんでした。
RIFA PME271 メタライズドペーパーコンデンサー
三浦軍志さんや是枝重治さんが絶賛していたRIFA社のPME271形メタライズドペーパーコンデンサー(黄色っぽい透明な四角いケースに入ったやつ)ですが、もっともっと高価と思ってました。現在の若松通商で意外に安く、百円台で買えました。これが千円もするコンデンサーなら、「流石はRIFA、音の広がりが違う」って感じになるのかと思いますが、安価な場合はそうなりません。人間なんてそんなものです。
ところでこのコンデンサー、頭を真っ新にして聴くと結構良い音です。リードに鉄線が使用されているのは、ビタミンQと同じです。真空管アンプによく使われるラグ配線にも使用できると思います。(チューブラー型ならもっとよいけど。)

↑ これは出力カップリング用に購入したものです。0.33μF AC250Vで190円でした。結局、1μFのポリプロピレンを使用したので余ってしまいました。と言うか、形がでかすぎてプリント基板にはまりませんでした。足も太く鉄線なので、ラグ端子を使う他の真空管工作の方がピッタリです。
タンタル電解コンデンサーの寿命
アルミ電解コンデンサーと言えば寿命が決まっており、20年を経過したようなものは交換が必須です。静電容量等を測定するまでもなく交換するのが定石です。
それでは、タンタル電解コンデンサーやOSコンデンサーはどうなのでしょう。外観もプラスチックモールドされており、電解液が蒸発することもなさそうです。
今回、外したタンタル電解コンデンサー4個の静電容量等を測ってみたのですが、劣化は確認されませんでした。40年弱に渡って使用できる電解コンデンサーって凄い。(それも、高温下で)プアオーディオを生業とする貧乏自作マンにとって救世主の様な電解コンデンサーではないですか。ショートモードで故障するので電源回路に使用すると危険ですが、今回の様にカソードバイパスコンデンサーとして使用するのには最適?と思います。音質も悪いとは思えません。(アルミと比較し高周波特性が良い。)
ただ、高価であることと、高耐圧、高静電容量品がないのと、形が小さすぎるのが欠点でしょうか。

↑ フィルムやタンタル電解コンデンサーに寿命はないと言われてますが(そんな訳ないか?)、今回の場合を見ると、それは本当の様です。写真のプリント基板から取り外したものを測定すると新品の様でした。再度基板に戻そうかとも思いましたが、折角なので新品交換しました。
12AX7A
12AX7Aは前回メンテ時に交換したような気がします。写真は若松のオリジナルではありません。しかし、使用中にヒーターが切れた覚えはありません。真空管は白熱電球と違いなかなか切れません。
↑ 上段は基板の上から写したもの、下段は基板の裏から写したものです。EQ初段に通測用、その他は通信用を使用しています。大先輩からいただいたものです。(印田さんありがとうございました。)
音が良いかどうかは分かりませんが、一般品(HIFI用)と比較し信頼性は高いと思います。これは交換せず、このまま使います。1960年代の球は、同年代の石よりも信頼性は高いと思います。(そのころのトランジスタは、経年変化で雑音を発生させたりします。)
メンテナンスを終えて
今回のメンテナンスではサトー電気、RSコンポーネンツ、若松通商の3社で部品調達しました。一番ローテクなサトー電気さんが以外に早く、HPも見やすいので重宝しています。店で買うのと同じ感覚で購入することができます。また、若松さんも、以外に古い部品の調達が可能なので嬉しいです。RSさんは世界の部品が調達できるのが魅力ですね。ネット時代って、なんて便利なのでしょう。
ところで、この新品になったこのアンプの音質ですが、基本は前の状態と同じです。カップリングコンデンサーをメタライズドペーパーにしたからと言っても音質が激変することはありません。まあ良い音と言えると思います。(だいたいオリジナルマランツ7を聴いたこともないし評価できない?)
そんな事より、このまま私が死ぬまで正常に動作してほしいと思ってます。特にメタライズドペーパーコンデンサーは自己回復機能があると聞きますので、それに期待しています。(自己回復って生物か?)
ところで、オリジナルマランツ7のカップリングコンデンサーに使用されたスプラグのカラーコード表示のブラックビューティーペーパーコンデンサーですが、現在、ギターを趣味とする人達の間で大人気の様です。「スプラグのカラーコード表示のペーパーコンデンサーブラックビューティー」では長いので「バンブルビー」と呼ぶそうです。(私が知らないだけで昔からそう呼んでいた?)ギター内に内蔵されトーンコントロールに使用されているそうですが、そんなもの、老朽化は避けられず、静電容量や絶縁は大丈夫なのでしょうか?まあ、ピックアップの出力フィルターに使用されているだけなら多少静電容量や絶縁が悪くても何となく使えるとは思いますが。私ならポリプロピレンフィルムで形の大きいチューブラタイプを使用したいと思います。「バンブルビー」はビンテージ(みんなこの言葉に弱い)感がプンプンし、凄く魅力がありますが、そんなものに大金を叩くなんて、とてもミュージシャンとは思えません。まるでオーディオマニアの様です。

↑ 電源スイッチがダサかったので現代物に更新しましたが、これもイマイチ?
φ16mmの穴に合うスイッチと言ったら数が限られ選択の余地がありません。
既存の古いスイッチはパネルへの止めリングがプラスチック製で、外すときに割れてしまいました。トホホ。








